Aprašymas
Komfovent Domekt įrenginiai skirti patalpų vėdinimui neišleidžiant iš jų visos šilumos. Rekuperatoriai suteikia galimybę kvėpuoti šviežiu oru, tuo pačiu išlaikant norimą temperatūrą patalpoje sunaudojant labai mažai papildomos energijos temperatūros palaikymui.
Rekuperatorius grąžina iki 83% šilumos. Grąžinamam orui pašildyti naudojamas elektrinis kaitinimo elementas.
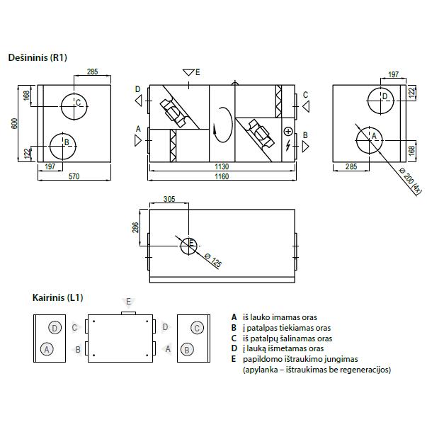
Įrenginį nesudėtinga sumontuoti – jis gali būti pajungiamas iš dešinės arba kairės pusių. Valdymo palengvinimui gali būti komplektuojami su C6.1 arba C6.2 valdymo pultu.
Rekuperatorius gali būti naudojamas esant žemesnėms lauko temperatūroms, nes šilumokaitis yra apsaugotas nuo užšalimo – pirminis pašildymo elementas įsijungia tuomet, kai atsižvelgus į lauko temperatūrą ir drėgmę, aptinkamas užšalimo pavojus.
Įrenginys veikia tyliai bei ekonomiškai – elektroniškai komutuojami varikliai sunaudoja iki 50% mažiau energijos nei įprastai reguliuojami. Atitinka A energetinio efektyvumo klasę.
Techniniai duomenys:
| Maksimalus įrenginio našumas, m³/h | 584 |
| Šilumos ir garso izoliacijos storis, mm | 50 |
| Masė, kg | 80 |
| Maitinimas, V | 1~230 |
| Maksimalus srovės stiprumas, A | HE 7.3 |
| Šilumos atgavimo šiluminis naudingumas, % | 83 |
| Oro filtrų matmenys B×H×L, mm | 475 x 235 x 46 |
| Ventiliatoriaus pavaros elektrinė įėjimo galia esant didžiausiam srautui, W | 179 |
| Aptarnavimo erdvė, mm | 500 |
Valdikliu C6.1 arba C6.2 nesudėtingai pritaikysite įrenginio veikimą savo poreikiams. Bet kuris valdiklis skirtas tiek jau anksčiau su rekuperatoriaus valdymu susidūrusiems varotojams, tiek ir naujokams. Užtenka įjungti pultelį ir jis kontroliuos sistemos darbą. Naudojant pultelį, galite užprogramuoti įrenginio veikimą pagal savaitės dienas pritaikant veikimą savo gyvenimo būdui. Budėjimo režime suvartojamas tik 1 W elektros energijos. Parsisiuntus mobiliąją programėlę „Komfovent Home”, įrenginį galėsite valdyti internetu išmaniuoju telefonu ar kompiuteriu.
C6.1 pultelis yra su spalvotu bei lietimui jautriu LED ekranu. C6.2 pultelis yra su lietumui jautriais mygtukais, iš anksto nustatytais parametrais.










Atsiliepimai
Atsiliepimų dar nėra.